(edit with the Customer Reassurance module)
(edit with the Customer Reassurance module)
(edit with the Customer Reassurance module)
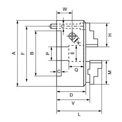
Kurzbeschreibung: Das DURO-M ist ein manuell betätigtes Drehfutter mit Planspirale und Durchgang. Es wird überwiegend auf konventionellen Drehmaschinen zur spanenden Bearbeitung von Drehteilen eingesetzt. --- Technische Merkmale: Futterkörper (sowie alle weiteren Bauteile) aus Stahl;Zentrisch spannend über Planspirale;Planspirale im Gesenk geschmiedet und hochvergütet, Gewindeflanken beidseitig geschliffen;Backen im Futter auf Rundlauf ausgeschliffen;Werkseitig ermittelter Nulltrieb als Genauigkeitstrieb;Die max. zulässige Drehzahl ist so festgelegt, daß bei max. Spannkraft und bei Verwendung der schwersten zugehörigen Spannbacken noch 1/3 der Spannkraft als Restspannkraft zur Verfügung steht. Die Spannbacken dürfen dabei über den Futter-Außendurchmesser nicht überstehen. Die Drehfutter müssen in einwandfreiem Zustand sein. Im übrigen gelten die Bestimmungen nach DIN 6386 Teil 1.;Spannkraft nach DIN6350: Die Spannkraft ist die Summe aller auf das Werkstück radial im Stillstand wirkenden Backenkräfte. Die angegebenen Spannkräfte sind Richtwerte. Sie gelten bei Futtern in einwandrreiem Zustand, die mit Röhm-Fett F80 abgeschmiert sind.;Lieferumfang: Futter, Futterschlüssel, Backen --- Einsatzbereiche: Konventionell spannende, horizontale und vertikale Drehmaschinen sowie Fräsmaschinen, Rundtische und Teilapparate. Überwiegend in der Einzel- oder Kleinserienfertigung oder Reparaturwerkstatt.;Spannen von rotationssymmetrischen Teilen für die Dreh- und Fräsbearbeitung. --- Vorteile: Hohe Rundlaufgenauigkeit bis 0,02;Backen grundsätzlich brüniert;Minimale Störkontur;Hohe Kraftübersetzung;Abtropfkante für Kühlmittel --- Weitere Infos: Das Duro-M Ø400 ist ein manuell betätigtes 3-Backen-Drehfutter mit Planspirale und Durchgang Ø136, Grund- und Aufsatzbacken, Zylindrischer Aufnahme (DIN 6350, Form A), ZA 330. Es wird überwiegend auf konventionellen Drehmaschinen zur spanenden Bearbeitung von Drehteilen eingesetzt.
EAN/GTIN: 4019208526867
Technische Daten
Ihre Bewertung der Rezension kann nicht gesendet werden
Kommentar melden
Meldung gesendet
Ihre Meldung kann nicht gesendet werden
Eigenen Kommentar verfassen
Bewertung gesendet
Ihre Bewertung kann nicht gesendet werden